BWIN必赢亚洲

b2banber01.jpg b2banber01ph.jpg

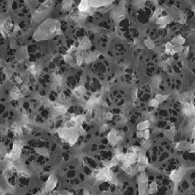
Lithium-Ion Battery Separator

BWIN·必赢亚洲(集团)唯一官方网站-Officials Website b2img01.png
  • 1
  • 2
  • 3
  • BWIN·必赢亚洲(集团)唯一官方网站-Officials Website b2img02.png
    BWIN·必赢亚洲(集团)唯一官方网站-Officials Website b2icon01.svg
    Lithium-Ion Battery Separator
  • BWIN·必赢亚洲(集团)唯一官方网站-Officials Website b2icon02.svg
    Anode
  • BWIN·必赢亚洲(集团)唯一官方网站-Officials Website b2icon03.svg
    Cathode

Lithium-ion battery separator is a polymer functional material with nanopores.

The performance of separator determines the interface structure and internal resistance of the battery, exerting a direct influence upon battery capacity, circulation, safety and other properties.

BWIN·必赢亚洲(集团)唯一官方网站-Officials Website

Application

  • Power battery

    In view of the demands of power battery customers for high safety, high energy density and fast charging, SEMCORP provides customized high-strength separator, ultra-thin separator, low breathability separator; with high-performance base film as the basis matched with coatings of specific functions, we can meet the customers'needs for various power battery.

  • Consumer electronics battery

    SEMCORP boasts industry-leading ultra-thin separator and advanced coating technology and provides customers with various solutions, which are mainly applied to traditional consumer electronics and emerging consumer electronic fields (drones, wearables, robots, etc.)

  • Energy storage battery

    SEMCORP can provide, in view of the long cycle-life requirements for energy storage lithium-ion battery, energy storage battery separator of high retention liquid and long cycle-life, covering different fields such as electric power system energy storage, communication base station energy storage and family energy storage.

  • BWIN·必赢亚洲(集团)唯一官方网站-Officials Website b2img03-799.png
  • BWIN·必赢亚洲(集团)唯一官方网站-Officials Website B2yingyongxiaofeidianzi.png
  • BWIN·必赢亚洲(集团)唯一官方网站-Officials Website B2yingyongchuneng-760.png

Products

    • BWIN·必赢亚洲(集团)唯一官方网站-Officials Website 1.jpg
      BWIN·必赢亚洲(集团)唯一官方网站-Officials Website
    Wet biaxial stretching separator

    biaxial stretching technique,which can produce high MD (longitudinal) and TD (transverse) strengths and relatively close values,can lower the risk of short circuit inside the battery caused by lithium metal dendrite puncture, improve the final yield of battery, and present more advantages in battery safety tests.

    • BWIN·必赢亚洲(集团)唯一官方网站-Officials Website 2.jpg
      BWIN·必赢亚洲(集团)唯一官方网站-Officials Website
    Dry-process aluminum laminated film

    Blow-molding technique,compared with tape casting method,bears more advantages in product strength, pore size distribution, production efficiency, yield, winding quality, winding length, etc.

    • BWIN·必赢亚洲(集团)唯一官方网站-Officials Website 3.jpg
      BWIN·必赢亚洲(集团)唯一官方网站-Officials Website
    Ceramic-coated separator

    On the original base film (including dry and wet base film), ceramic materials such as high-purity nano-alumina or boehmite are applied onto the base film; one layer of ceramic surface, or one layer ceramic surface for each side, is coated.

    • BWIN·必赢亚洲(集团)唯一官方网站-Officials Website 4.1.jpg
      BWIN·必赢亚洲(集团)唯一官方网站-Officials Website
    • BWIN·必赢亚洲(集团)唯一官方网站-Officials Website 4.2.jpg
      BWIN·必赢亚洲(集团)唯一官方网站-Officials Website
    PVDF coating separator

    PVDF is dispersed (water-based) or dissolved (oil-based) and then applied evenly on the base film. When the separator is thermolaminated with the pole piece, PVDF-coating separator has larger effective contact area and presents good adhesion result (the adhesion strength of the coating ≥30N/m), thereby greatly reducing the defect rate of electrode products.

    • BWIN·必赢亚洲(集团)唯一官方网站-Officials Website 5.jpg
      BWIN·必赢亚洲(集团)唯一官方网站-Officials Website
    Aramid coating separator

    Aramid is a kind of polymer material with excellent heat-resistance. Aramid coating can greatly increase the rupture temperature of the separator and improve the safe performance of the battery under heat.

    • BWIN·必赢亚洲(集团)唯一官方网站-Officials Website 6.1.jpg
      BWIN·必赢亚洲(集团)唯一官方网站-Officials Website
    • BWIN·必赢亚洲(集团)唯一官方网站-Officials Website 6.2.jpg
      BWIN·必赢亚洲(集团)唯一官方网站-Officials Website
    Mix-coating separator

    Mix-coating separator refers to the even coating made of the mixture of PVDF or aramid and nano-structured ceramic on the dry or wet base film. Mix-coating separator boasts of high heat-resistance and can, at the same time, realize the adhesion between the separator and the positive and negative pole pieces, and has the advantage of low cost and high efficiency.

b3img061.jpg

Advantage

110 Billion ㎡
It is planned that by the end of 2025, SEMCORP will achieve a separator production capacity of 17.5 billion square meters.

Customers

  • 10,000
    Employees
  • Nearly 40
    Holding Companies
  • 10
    +
    Research Institutes
b2img15.jpg
Any question?
【网站地图】